Izdelki
Standardni prečni ventil GB
  • Standardni prečni ventil GBStandardni prečni ventil GB

Standardni prečni ventil GB

Visokokakovostne in prilagojene standardne ventile J41H, J41Y in J41W tipa GB izdeluje JQF Valve, profesionalni proizvajalec ventilov na Kitajskem. Njihov odpiralni in zapiralni del so valjaste ventilne plošče, tesnilna površina pa je ravna ali stožčasta. Plošče ventila se premikajo linearno vzdolž središčnice tekočine. Standardni krogelni ventili GB so primerni le za popolnoma odprte ali popolnoma zaprte aplikacije in se na splošno ne uporabljajo za regulacijo pretoka, vendar se regulacija pretoka in dušenje lahko izvedeta glede na potrebe kupca.
Foshan Jinqiu Valve Co., Ltd. is a manufacturing factory integrating valve R&D, manufacturing, sales, and service. Our durable GB standard globe valves are specifically designed for oxygen pipelines, ensuring safe, stable, and efficient operation. Made from high-quality materials and undergoing rigorous degreasing and cleaning processes, these valves effectively prevent combustion risks and guarantee reliable sealing performance.

Standardni kroglični ventil GB na zalogi je primeren za tlačna območja PN1,6-PN16 in velikosti DN15-DN400, vedno se uporabljajo v metalurgiji, kemični industriji, industriji medicinskega plina in energetiki.

Strukturne značilnosti

Nenehno uvajamo inovacije in stremimo k odličnosti ter držimo korak s časom s svojimi visokokakovostnimi ventili po standardu GB in izjemnimi storitvami za stranke! Aktivno uvajamo napredno opremo, upravljanje podjetja in tehnično servisno osebje ter si prizadevamo zgraditi visokokakovostno domačo in mednarodno blagovno znamko ventilov. Pozdravljamo nove in stare stranke, da obiščejo in pregledajo naše objekte, sodelujemo v obojestransko korist in skupaj ustvarjamo boljšo prihodnost!

Executive Standard

Specifikacije zasnove: GB / T 12235
Dolžina strukture: GB / T 12221
Prirobnični priključek: JB / T 79
Test in pregled: JB / T 9002
Identifikacija izdelka: GB / T 12220
Specifikacije dostave: JB / T 7928

Lastnosti

1. Poenostavljena in optimizirana struktura: poenostavljena zasnova izboljša proizvodnjo komponent in učinkovitost vzdrževanja opreme za 30 %. 2. Takojšen nadzor odpiranja in zapiranja: zasnova strukture z mikrohodom doseže odzivno hitrost odpiranja in zapiranja 0,8 sekunde na cikel. 3. Dolgotrajen tesnilni sistem: tehnologija samomazalne tesnilne površine dosega izjemno nizek koeficient trenja; kompozitna tesnilna plast ima življenjsko dobo proti staranju, ki presega 50.000 ciklov odpiranja in zapiranja.

Parametri delovanja

model J41H-16C~160C J41Y-16C~160C J41W-16P~160P
Delovni tlak(MPa) 1,6 ~ 16,0
primerna temperatura(℃) ≤425 ≤150
Primerni mediji Voda, para, olje Šibek korozivni medij
material Karoserija, pokrov motorja Ogljikovo jeklo Krom nikelj-titan nerjavno jeklo
Steblo ventila Kromirano nerjaveče jeklo Krom nikelj-titan nerjavno jeklo
Tesnilna površina Navarjanje zlitin na osnovi železa Zlitina za trdo navarjanje Material telesa
polnilo Azbestni grafit, upogljivi grafit, PTFE

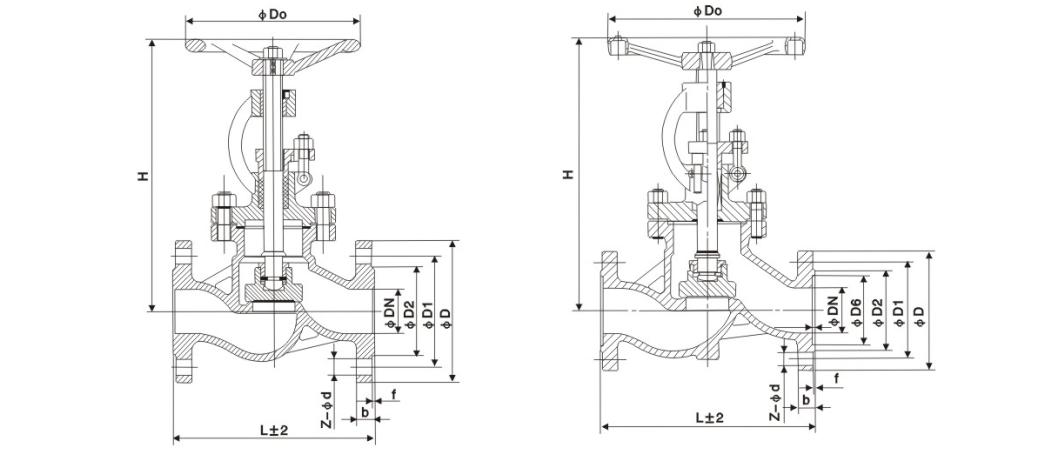
Glavna oblika in velikost povezave

Nazivni premer Glavne mere in priključne mere
L D D1 D2 b Z-d H D0
J41H-16C
15 130 95 65 45 14-2 4-Φ14 170 120
20 150 105 75 55 14-2 4-Φ14 190 140
25 160 115 85 65 14-2 4-Φ14 205 160
32 180 135 100 78 16-2 4-Φ18 270 180
40 200 145 110 85 16-3 4-Φ18 310 200
50 230 160 125 100 16-3 4-Φ18 358 240
65 290 180 145 120 18-3 4-Φ18 373 240
80 310 195 160 135 20-3 8-Φ18 435 280
100 350 215 180 155 20-3 8-Φ18 500 300
125 400 245 210 185 22-3 8-Φ18 614 320
150 480 280 240 210 24-3 8-Φ23 674 360
200 600 335 295 265 26-3 12-Φ23 811 400
250 650 405 355 320 30-3 12-Φ25 969 450
300 750 460 410 375 30-3 12-Φ25 1145 580
350 850 520 470 435 34-4 16-Φ25 1280 640
400 980 580 525 485 36-4 16-Φ30 1452 640
J41H-25C
15 130 95 65 45 16-2 4-Φ14 170 120
20 150 105 75 55 16-2 4-Φ14 190 140
25 160 115 85 65 16-2 4-Φ14 205 160
32 180 135 100 78 18-2 4-Φ18 270 180
40 200 145 110 85 18-3 4-Φ18 310 200
50 230 160 125 100 20-3 4-Φ18 358 240
65 290 180 145 120 22-3 8-Φ18 373 240
80 310 195 160 135 22-3 8-Φ18 435 280
100 350 230 190 160 24-3 8-Φ23 500 300
125 400 270 220 188 28-3 8-Φ25 614 320
150 480 300 250 218 30-3 8-Φ25 674 360
200 600 360 310 278 34-3 12-Φ25 811 400
250 650 425 370 332 36-3 12-Φ30 969 450
300 750 485 430 390 40-4 16-Φ30 1145 580
350 850 550 490 448 44-4 16-Φ34 1280 640
400 980 610 550 505 48-4 16-Φ34 1452 640

Slika strukture

Hot Tags: Standardni kroglični ventil GB, Kitajska, po meri, kakovost, vzdržljivost, napreden, proizvajalec, dobavitelj, tovarna, na zalogi
Pošlji povpraševanje
Kontaktne informacije
  • Naslov

    No.1, North 1st Road, Stainless Steel New Town, Lecong Steel World West Road, Shunde District, Foshan City, Guangdong Province, Kitajska

Za poizvedbe o zapornih ventilih, krožnih ventilih in protipovratnih ventilih ali ceniku nam pustite svoj e-poštni naslov in kontaktirali vas bomo v 24 urah.

X
Piškotke uporabljamo, da vam ponudimo boljšo izkušnjo brskanja, analiziramo promet na spletnem mestu in prilagodimo vsebino. Z uporabo te strani se strinjate z našo uporabo piškotkov. Politika zasebnosti
Zavrni Sprejmi