Izdelki
Krožni ventil iz nerjavečega jekla
  • Krožni ventil iz nerjavečega jeklaKrožni ventil iz nerjavečega jekla

Krožni ventil iz nerjavečega jekla

Vzdržljiv krožni ventil J41H, J41Y, J41W iz nerjavečega jekla proizvaja JQF Valve. Njegov odpiralni in zapiralni del je cilindrična loputa ventila, tesnilna površina je ravna ali stožčasta, loputa ventila pa se premika linearno vzdolž središčnice tekočine. Zaporni ventil iz nerjavečega jekla je primeren samo za popolno odpiranje in popolno zapiranje. Na splošno se ne uporablja za prilagajanje pretoka. Po meri ga je mogoče prilagoditi in dušiti.
Foshan Jinqiu Valve Co., LTD. je visokokakovostni proizvajalec krožnih ventilov iz nerjavečega jekla, ki vključuje načrtovanje, razvoj, proizvodnjo, prodajo in servis. Naši glavni proizvodi vključujejo različne regulacijske ventile, električne ventile, pnevmatske ventile, elektromagnetne ventile, ročne ventile, aktuatorje in dodatke za ventile.
Naš krožni ventil iz nerjavečega jekla je zaporni ventil z ohišjem iz litega nerjavečega jekla, prirobničnimi priključki na obeh koncih in strukturo zapornega ventila. Njegova osnovna funkcija je natančna regulacija pretoka ali zanesljivo zapiranje medija v cevovodih.
Zaradi svoje odlične odpornosti proti koroziji in zanesljivega tesnjenja je postal eden izmed prednostnih ventilov za korozivne medije ali aplikacije visoke čistoče v kemični, petrokemični, prehrambeni in farmacevtski industriji.
Customers trust JQF valves' high quality, reliable performance, and good and comprehensive customer service. We will continue to innovate to provide first-class valve solutions.

1. Enostavna struktura: zasnova krožnega ventila iz nerjavečega jekla je preprosta, zato sta proizvodnja in vzdrževanje priročna in učinkovita.
2. Hiter odziv: Kratek delovni hod omogoča izjemno hitro odpiranje in zapiranje ventila.
3. Vzdržljivo tesnjenje: odličen učinek tesnjenja, minimalna odpornost proti trenju in dolga življenjska doba.

Executive Standard

Specifikacije zasnove: GB / T 12235
Dolžina strukture: GB / T 12221
Prirobnični priključek: JB / T 79
Test in pregled: JB / T 9002
Identifikacija izdelka: GB / T 12220
Specifikacije dostave: JB / T 7928

Parametri delovanja

model J41H-16C~160C J41Y-16C~160C J41W-16P~160P
Delovni tlak(MPa) 1,6 ~ 16,0
primerna temperatura(℃) ≤425 ≤150
Primerni mediji Voda, para, olje Šibek korozivni medij
material Karoserija, pokrov motorja Ogljikovo jeklo Krom nikelj-titan nerjavno jeklo
Steblo ventila Kromirano nerjaveče jeklo Krom nikelj-titan nerjavno jeklo
Tesnilna površina Navarjanje zlitin na osnovi železa Zlitina za trdo navarjanje Material telesa
polnilo Azbestni grafit, upogljivi grafit, PTFE

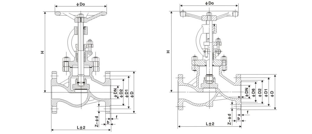
Glavna oblika in velikost povezave

Nazivni premer Glavne mere in priključne mere
L D D1 D2 b Z-d H D0
J41H-16C
15 130 95 65 45 14-2 4-Φ14 170 120
20 150 105 75 55 14-2 4-Φ14 190 140
25 160 115 85 65 14-2 4-Φ14 205 160
32 180 135 100 78 16-2 4-Φ18 270 180
40 200 145 110 85 16-3 4-Φ18 310 200
50 230 160 125 100 16-3 4-Φ18 358 240
65 290 180 145 120 18-3 4-Φ18 373 240
80 310 195 160 135 20-3 8-Φ18 435 280
100 350 215 180 155 20-3 8-Φ18 500 300
125 400 245 210 185 22-3 8-Φ18 614 320
150 480 280 240 210 24-3 8-Φ23 674 360
200 600 335 295 265 26-3 12-Φ23 811 400
250 650 405 355 320 30-3 12-Φ25 969 450
300 750 460 410 375 30-3 12-Φ25 1145 580
350 850 520 470 435 34-4 16-Φ25 1280 640
400 980 580 525 485 36-4 16-Φ30 1452 640
J41H-25C
15 130 95 65 45 16-2 4-Φ14 170 120
20 150 105 75 55 16-2 4-Φ14 190 140
25 160 115 85 65 16-2 4-Φ14 205 160
32 180 135 100 78 18-2 4-Φ18 270 180
40 200 145 110 85 18-3 4-Φ18 310 200
50 230 160 125 100 20-3 4-Φ18 358 240
65 290 180 145 120 22-3 8-Φ18 373 240
80 310 195 160 135 22-3 8-Φ18 435 280
100 350 230 190 160 24-3 8-Φ23 500 300
125 400 270 220 188 28-3 8-Φ25 614 320
150 480 300 250 218 30-3 8-Φ25 674 360
200 600 360 310 278 34-3 12-Φ25 811 400
250 650 425 370 332 36-3 12-Φ30 969 450
300 750 485 430 390 40-4 16-Φ30 1145 580
350 850 550 490 448 44-4 16-Φ34 1280 640
400 980 610 550 505 48-4 16-Φ34 1452 640

Slika strukture

Hot Tags: Krožni ventil iz nerjavečega jekla, Kitajska, po meri, kakovost, vzdržljivost, napreden, proizvajalec, dobavitelj, tovarna, na zalogi
Pošlji povpraševanje
Kontaktne informacije
  • Naslov

    No.1, North 1st Road, Stainless Steel New Town, Lecong Steel World West Road, Shunde District, Foshan City, Guangdong Province, Kitajska

Za poizvedbe o zapornih ventilih, krožnih ventilih in protipovratnih ventilih ali ceniku nam pustite svoj e-poštni naslov in kontaktirali vas bomo v 24 urah.

X
Piškotke uporabljamo, da vam ponudimo boljšo izkušnjo brskanja, analiziramo promet na spletnem mestu in prilagodimo vsebino. Z uporabo te strani se strinjate z našo uporabo piškotkov. Politika zasebnosti
Zavrni Sprejmi