Izdelki
Kontrolni ventil iz litega jekla
  • Kontrolni ventil iz litega jeklaKontrolni ventil iz litega jekla

Kontrolni ventil iz litega jekla

Jinqiu Valve izdeluje povratne ventile iz visokokakovostnega litega jekla, ki so avtomatski ventili, ki se samodejno odprejo glede na tlak pretoka medija in samodejno zaprejo zaradi gravitacije ali protitlaka, ko medij teče nazaj. Ti ventili so primerni za različne industrijske cevovode, običajno so izdelani iz litega jekla in so uporabni za različne medije in temperaturne pogoje.

Vzdržljiv povratni ventil iz litega jekla tovarne Jinqiu Valve je simetričen na obeh straneh, kar omogoča dvosmerni pretok medija. Namestitev je enostavna, odpravlja potrebo po upoštevanju smeri cevovoda, delovanje pa je prilagodljivo in priročno. Naša tovarna najprej spoštuje načela integritete in kakovosti. Toplo pozdravljamo vaša povpraševanja in upamo, da bomo z vami vzpostavili dolgoročno sodelovanje. Mi imamo prednosti v proizvodnji, vi pa v prodaji. Verjamemo, da lahko s sodelovanjem dosežemo zmagovalno situacijo in upamo, da bomo skupaj rasli!


1. Nizek upor tekočine: Notranji medij nepovratnega ventila iz litega jekla teče v ravni črti z minimalnim uporom, kar omogoča nemoten transport tekočine, energetsko učinkovitost in praktičnost.
2. Enostavno odpiranje in zapiranje: Vrata nepovratnega ventila iz litega jekla se premikajo navpično s tekočino, kar zahteva minimalno silo za odpiranje in zapiranje, kar poenostavlja delovanje in prihrani stroške dela.
3. Neomejena smer pretoka medija: nepovratni ventil iz litega jekla je simetričen na obeh straneh, kar omogoča dvosmerni pretok medija. Namestitev ne zahteva upoštevanja smeri toka cevovoda, zaradi česar je delovanje prilagodljivo in priročno.
4. Odlično tesnjenje: obraba je minimalna, ko je popolnoma odprt; ko je zaprt, lahko tlak prisili tesnjenje, kar učinkovito preprečuje puščanje medija.

Parametri delovanja

model H44H-16C~2=-0 H44W-16P~250
Delovni tlak(MPa) 1,6~25
primerna temperatura(℃) ≤425 ≤550
Primerni mediji Voda, para, olje Šibek korozivni medij
material Telo, pokrov motorja, disk Ogljikovo jeklo Krom nikelj-titan nerjavno jeklo
Tesnilna površina Zlitine na osnovi železa za navarjanje ogljikovega jekla Telo zaprto

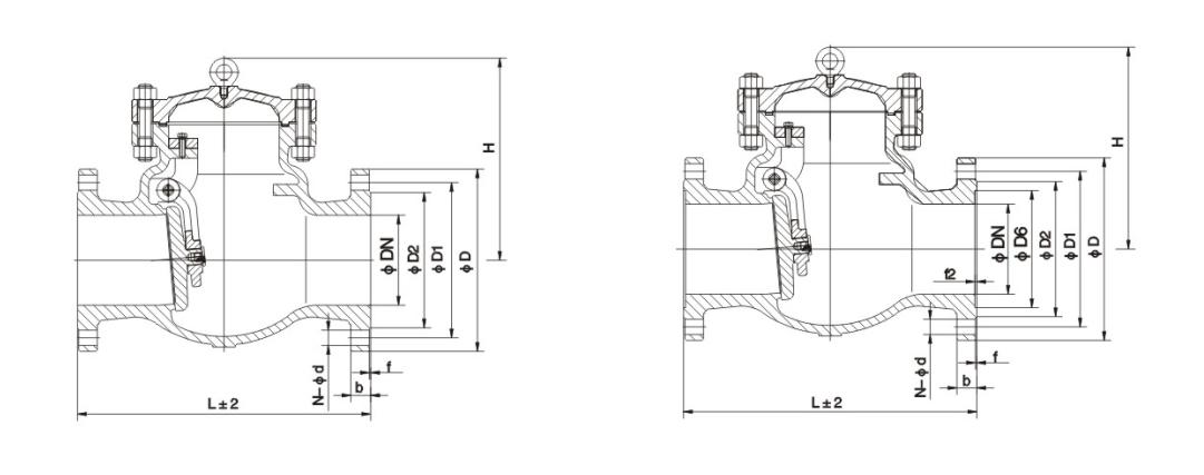
Glavna oblika in priključne mere

Nazivni premerDN Glavne mere in priključne mere
L D D1 D2 b Z-d H
H44H-16C H44W-16C H44W-16P H44W-16R H44W-16I
25 160 115 85 65 16 4-14 100
32 180 135 100 78 16 4-18 105
40 200 145 100 85 16 4-18 115
50 230 160 125 100 16 4-18 135
65 290 180 145 120 18 4-18 142
80 310 195 160 135 20 8-18 165
100 350 215 180 155 20 8-18 180
125 400 245 210 185 22 8-18 210
150 480 280 240 210 24 8-23 233
200 500 335 295 265 26 12-23 304
250 550 405 355 320 30 12-25 348
300 650 460 410 375 30 12-25 390
350 750 520 470 435 34 16-25 430
400 850 580 525 485 36 16-30 468
H44H-25 H44W-25 H44W-25P H44W-25R H44W-25I
25 160 115 85 65 16 4-14 100
32 180 135 100 78 16 4-18 105
40 200 145 110 85 16 4-18 115
50 230 160 125 100 20 4-18 160
65 290 180 145 120 22 8-18 175
80 310 195 160 135 22 8-18 185
100 350 230 190 160 24 8-23 220
125 400 270 220 188 28 8-25 248
150 480 300 250 218 30 8-25 276
200 550 360 310 278 34 12-25 350
250 650 425 370 332 36 12-30 410
300 750 485 430 390 40 16-30 430
350 850 550 490 448 44 16-34 518
400 950 610 550 505 48 16-34 560

Slika strukture

Hot Tags: Kontrolni ventil iz litega jekla, Kitajska, po meri, kakovost, trpežen, napreden, proizvajalec, dobavitelj, tovarna, na zalogi
Pošlji povpraševanje
Kontaktne informacije
  • Naslov

    No.1, North 1st Road, Stainless Steel New Town, Lecong Steel World West Road, Shunde District, Foshan City, Guangdong Province, Kitajska

Za poizvedbe o zapornih ventilih, krožnih ventilih in protipovratnih ventilih ali ceniku nam pustite svoj e-poštni naslov in kontaktirali vas bomo v 24 urah.

X
Piškotke uporabljamo, da vam ponudimo boljšo izkušnjo brskanja, analiziramo promet na spletnem mestu in prilagodimo vsebino. Z uporabo te strani se strinjate z našo uporabo piškotkov. Politika zasebnosti
Zavrni Sprejmi