Izdelki
Nihajni povratni ventil
  • Nihajni povratni ventilNihajni povratni ventil

Nihajni povratni ventil

Jinqiu Valve proizvaja kakovosten nihajni protipovratni ventil, avtomatski ventil, znan tudi kot enosmerni ventil ali povratni ventil. Njegova funkcija je preprečiti povratni tok medija v cevovodu, kar omogoča, da tekočina teče v eno smer. Učinkovito preprečuje povratni tok (povratni tok), ki lahko poškoduje cevovodni sistem. Ventil odpira ali zapira svoje komponente za odpiranje in zapiranje s tokom in silo medija, da prepreči povratni tok medija.
Jinquan Valve is a high-tech enterprise integrating valve product research, production, sales, and service. As an H44H and H44Y type PN16 ~ PN250 swing check valves supplier, our customized swing check valves are suitable for pressures of 1.6 ~ 25MPa, working temperatures of -29 ~ +550 ℃, and are applicable to pipeline conditions in the petroleum, chemical, pharmaceutical, fertilizer, power industries, and other environments. Applicable media include water, oil, steam, acidic media, and so on. We have been operating in the valve manufacturing field for over twenty years. With our experience, we have won high praise from the market for our reasonable prices, high quality, and attentive service.

1. Samodejno odpiranje in zapiranje: nihajni povratni ventil se samodejno odpre in zapre glede na silo toka medija. Ko medij teče v določeni smeri, se disk ventila odpre in ventil se odpre. Ko medij preneha teči ali teče nazaj, se disk ventila zapre pod lastno težo ali silo vzmeti in prepreči povratni tok. Ročno upravljanje ni potrebno, doseganje avtomatskega nadzora.
2. Zanesljivo tesnjenje: Tesnilne površine diska in sedeža ventila so običajno izdelane iz zvarjene zlitine na osnovi železa ali trde zlitine na osnovi Stellite kobalta, ki je odporna na obrabo, vročino, korozijo in ima dobro odpornost na praske. To zagotavlja dolgoročno stabilen učinek tesnjenja in učinkovito preprečuje puščanje medija. 3. Neoviran pretočni kanal: pretočni kanal je racionalno zasnovan, kar ima za posledico nizek upor tekočine. Mediji lahko gladko prehajajo skozi nihajni povratni ventil, kar zmanjša izgubo tlaka in porabo energije.

Parametri delovanja

model H44H-16C~250 H44W-16P~250
Delovni tlak(MPa) 1,6~25
primerna temperatura(℃) ≤425 ≤550
Primerni mediji Voda, para, olje Šibek korozivni medij
material Telo, pokrov motorja, disk Ogljikovo jeklo Krom nikelj-titan nerjavno jeklo
Tesnilna površina Zlitine na osnovi železa za navarjanje ogljikovega jekla Telo zaprto

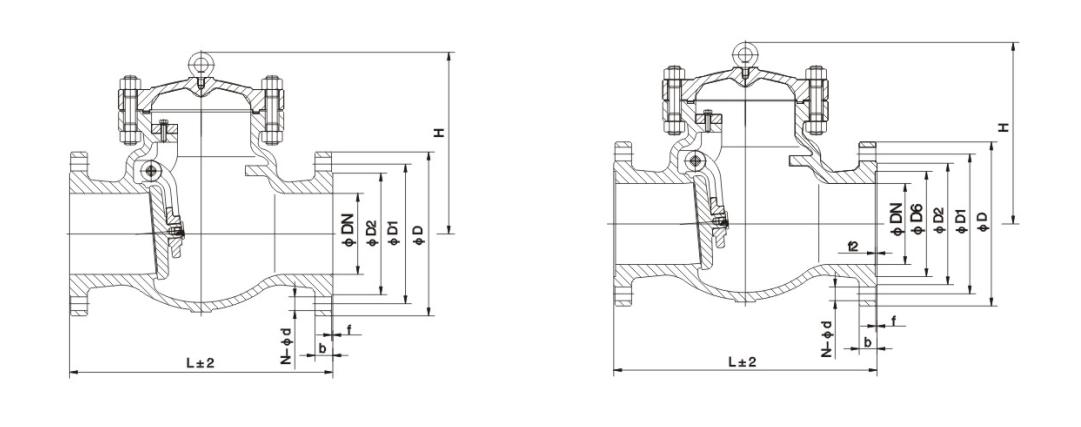
Glavna oblika in priključne mere

Nazivni premerDN Glavne mere in priključne mere
L D D1 D2 b Z-d H
H44H-16C H44W-16C H44W-16P H44W-16R H44W-16I
25 160 115 85 65 16 4-14 100
32 180 135 100 78 16 4-18 105
40 200 145 100 85 16 4-18 115
50 230 160 125 100 16 4-18 135
65 290 180 145 120 18 4-18 142
80 310 195 160 135 20 8-18 165
100 350 215 180 155 20 8-18 180
125 400 245 210 185 22 8-18 210
150 480 280 240 210 24 8-23 233
200 500 335 295 265 26 12-23 304
250 550 405 355 320 30 12-25 348
300 650 460 410 375 30 12-25 390
350 750 520 470 435 34 16-25 430
400 850 580 525 485 36 16-30 468
H44H-25 H44W-25 H44W-25P H44W-25R H44W-25I
25 160 115 85 65 16 4-14 100
32 180 135 100 78 16 4-18 105
40 200 145 110 85 16 4-18 115
50 230 160 125 100 20 4-18 160
65 290 180 145 120 22 8-18 175
80 310 195 160 135 22 8-18 185
100 350 230 190 160 24 8-23 220
125 400 270 220 188 28 8-25 248
150 480 300 250 218 30 8-25 276
200 550 360 310 278 34 12-25 350
250 650 425 370 332 36 12-30 410
300 750 485 430 390 40 16-30 430
350 850 550 490 448 44 16-34 518
400 950 610 550 505 48 16-34 560

Slika strukture

Hot Tags: Nihajni protipovratni ventil, Kitajska, po meri, kakovost, trpežen, napreden, proizvajalec, dobavitelj, tovarna, na zalogi
Pošlji povpraševanje
Kontaktne informacije
  • Naslov

    No.1, North 1st Road, Stainless Steel New Town, Lecong Steel World West Road, Shunde District, Foshan City, Guangdong Province, Kitajska

Za poizvedbe o zapornih ventilih, krožnih ventilih in protipovratnih ventilih ali ceniku nam pustite svoj e-poštni naslov in kontaktirali vas bomo v 24 urah.

X
Piškotke uporabljamo, da vam ponudimo boljšo izkušnjo brskanja, analiziramo promet na spletnem mestu in prilagodimo vsebino. Z uporabo te strani se strinjate z našo uporabo piškotkov. Politika zasebnosti
Zavrni Sprejmi